服务热线:010-82404894
当前位置: > 产品中心 > 研华无风扇嵌入式PC > UNO 系列 >

UNO 系列

UNO-1251G

 

主要特点

RISC 32 bit TI ARM® Cortex™-A8 processor
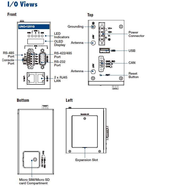
Programmable OLED display for status & error indication
1 x CAN, 3 x COM, 2 x LAN, 1 x USB ports
Backup Memory FRAM in 128KB for retaining critical data
Easily accessible Micro SD slot & Micro SIM slot
Expansible with Wi-Fi/3G connectivity
Supports WEC7 & Linux operating systems
Supports WebAccess/HMI software for compatibility with 450 types of PLC, controllers & I/O devices protocols

产品介绍

TI Coretex A8 Micro DIN-Rail Gateway w/ 2 x LAN, 1 x USB, 1 x CANopen, 3 x COM, 2 x microSD, 1 x micro SIM

The UNO-1251G is an Industrial IoT DIN-rail gateway. This gateway features dual LAN ports & expansible Wi-Fi/3G connectivity. There are also some user friendly design elements such as: a programmable OLED display to indicate the system status; and a front accessible microSD card/micro SIM slot. With WebAccess/HMI support, it is compatible with 450 types of PLC, controllers & I/O devices. User can easily access UNO-1251G through mobile devices by VNC. It is the ideal solution for automation control as a cloud enabled HMI platform.


规格


订货信息

P/N  Description
UNO-1251G-A0AE ARM Coretex A8, built-in 256MB Memory, 1G SLC MicroSD, WEC7
UNO-1251G-WA0AE UNO-1251G-A0AE with WebAccess/HMI 1500 tags
Optional Accessories
Adapters & Power cords:
PWR-247-CE ADP A/D 100-240V 60W
1702002600 Power Cable US Plug 1.8 M
1702002605 Power Cable EU Plug 1.8 M
1702031801 Power Cable UK Plug 1.8 M
1700000596 Power Cable China/Australia Plug 1.8 M
Micro SD card:
96FMMSDI-2G-ET-AT ATP 2G MICRO SD CARD I-GRD SLC(G)
3G module & antenna:
EWM-C109F601E Wide-Temp 3.75G HSPA, Mini PCIe Card
1750006264 Coaxial cable for antenna
1750005865 Antenna L=10.9 cm 50 Ohm
Wi-Fi module & antenna:
EWM-W150H02E 802.11bgn / RT5390 1T1R
9656EWMG00E Half-size miniPCIe to Full-size miniPCIe bracket set
1750006043 150 mm Coaxial cable for antenna
1750000318 Antenna

北京东森兰泰科技有限公司

电 话:010-82404894 / 010-62826279
移动电话:13811165433 13269032575
传 真:010-82404894-608
地 址:中国北京市海淀区西三旗SOCO公社(瑞旗家园)28号楼
邮 编:100096
公司主页:http://www.qdipc.com
淘宝网店:http://dslt.taobao.com
阿里网店:http://miaoajuan.1688.com


产品图片及框图




客户服务热线
产品分类

联系我们

北京东森兰泰科技有限公司

地 址:北京市海淀区西三旗SOCO公社28号楼

联系人:冯工

手 机:13269032575

电 话:010-82404894 / 010-62826279

传 真:010-82404894

E-mail:sellipc@163.com

邮 编:100096

QQ:点击这里给我发消息 点击这里给我发消息

友情链接