|
产品介绍
ITM-5115 is a 15" LED TFT-LCD touchscreen monitor specifically designed for industrial applications. It's a stable, rugged display with VGA & DVI outputs. The simple, yet elegant flat plane design provides for easy cleaning, and the Box PC-plus-monitor option offers added flexibility.
规格
| Model | ITM-5115R-M | |
| Size | 15" LED backlight panel | |
| Resolution | 1024 x 768 (XGA) | |
| Viewing Angle | 80°/80°/70°/70°/ | |
| Display | Brightness | 400 (cd/m2) |
| Color Support | 16.2 M / 262 K colors | |
| Contrast Ratio | 700 | |
| Response Time | 8 [msec] | |
| Lamp Life (hrs) | 50,000 hrs | |
| Touchscreen Type | 5-Wire resistive touch window | |
| Touchscreen | Surface Hardness | 3H |
| Durability | 36 million touches | |
| Operating Temperature | -20 ~ 60°C (-4 ~ 140°F) | |
| Storage Temperature | -30 ~ 70°C (-22 ~ 158°F) | |
| Environment | Humidity | 5 ~ 95% @ 40°C, non-condensing |
| Shock | 10 G peak acceleration (11 ms duration) | |
| Front Panel | IP54 | |
| I/O |
VGA x 1; DVI-D x 1; 12 VDC Jack x 1; USB x1; RS-232 x 1 (USB & RS-232 are reserved for the connection to enable touch usage only) |
|
| System | OSD |
Keys: Menu, Up, Down, Enter, Monitor Power on/off Menu Functions: Brightness, Volume, Contrast, Clock Phase, Horizontal Position, Vertical Position, Sharpness |
| Power | DC Jack, external 60 W power adapter, with AC 100 ~ 240 V input and DC +12 V @ 5 A output | |
| EMC Compliance | CE/FCC/CCC/BSMI | |
| Safety | CB/UL/CCC/BSMI |
订货信息
| ITM-5115R-MA1E | 15" XGA LED Full-Flat Touch Monitor |
| 1702002600 | Power cord 3P (USA) |
| 1700000596 | Power cord 3P (China) |
| 1700018705 | Power cord 3P (EU) |
| 96STANDKIT-ITM | Stand kit |
| 96PSA-A60W12R1-1 | ADP A/D 100-240V 60W 12V WO/PFC |
| 1700000243 | DVI cable 2.0 M |
| 1700002215 | USB-A(M)/USB-A(M) 1.8 meters |
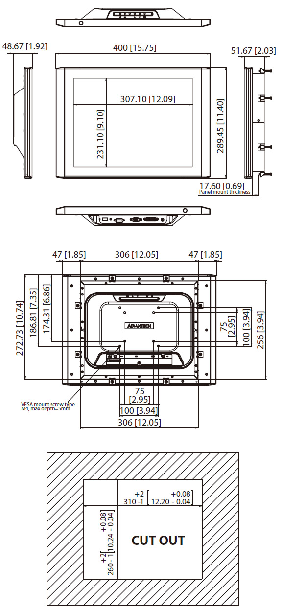
尺寸图

| 北京东森兰泰科技有限公司 | ||
| 电 话: | 010-82404894 | 010-62826279 |
| 移动电话: | 13811165433 | 13269032575 |
| 传 真: | 010-82404894-608 | |
| 地 址: | 中国北京市海淀区西三旗SOCO公社(瑞旗家园)28号楼 | |
| 邮 编: | 100096 | |
| 公司主页: | http://www.qdipc.com | |
| 淘宝网店: | http://dslt.taobao.com | |
| 阿里网店: | http://miaoajuan.1688.com | |



